Virago Vacuum Hose Diagram . Web view and download yamaha virago xv125s owner's manual online. Congratulations on your purchase of the kjs system. 700 through 1100 virago installation guide. I cant seem to find what im looking for in my service manual, how do. Virago xv125s motorcycle pdf manual download. Web view and download yamaha virago xv250p owner's manual online. Web viragos do not have a cdi they have a tci and there is a major difference between the two.also if you delete the extra petcock system in. Web yamaha virago vacuum lines & cover removal. Web is there a vacuum and fuel line diagram for a 1986 xv700. Virago xv250p motorcycle pdf manual download.
from www.youtube.com
Web view and download yamaha virago xv250p owner's manual online. Web viragos do not have a cdi they have a tci and there is a major difference between the two.also if you delete the extra petcock system in. Web is there a vacuum and fuel line diagram for a 1986 xv700. Web yamaha virago vacuum lines & cover removal. I cant seem to find what im looking for in my service manual, how do. 700 through 1100 virago installation guide. Congratulations on your purchase of the kjs system. Web view and download yamaha virago xv125s owner's manual online. Virago xv125s motorcycle pdf manual download. Virago xv250p motorcycle pdf manual download.
Toyota Corolla EE90 2E Engine, Surplus Parts, Vacuum Advancer, Vacuum
Virago Vacuum Hose Diagram Web view and download yamaha virago xv125s owner's manual online. 700 through 1100 virago installation guide. Web view and download yamaha virago xv125s owner's manual online. Web viragos do not have a cdi they have a tci and there is a major difference between the two.also if you delete the extra petcock system in. Web is there a vacuum and fuel line diagram for a 1986 xv700. I cant seem to find what im looking for in my service manual, how do. Web view and download yamaha virago xv250p owner's manual online. Virago xv125s motorcycle pdf manual download. Virago xv250p motorcycle pdf manual download. Web yamaha virago vacuum lines & cover removal. Congratulations on your purchase of the kjs system.
From easyautodiagnostics.com
Vacuum Hose Routing Diagram (19901993 2.8L Chevrolet S10 Pickup, GMC Virago Vacuum Hose Diagram Congratulations on your purchase of the kjs system. Web viragos do not have a cdi they have a tci and there is a major difference between the two.also if you delete the extra petcock system in. Web is there a vacuum and fuel line diagram for a 1986 xv700. Virago xv250p motorcycle pdf manual download. Virago xv125s motorcycle pdf manual. Virago Vacuum Hose Diagram.
From www.youtube.com
Toyota Corolla EE90 2E Engine, Surplus Parts, Vacuum Advancer, Vacuum Virago Vacuum Hose Diagram Web view and download yamaha virago xv125s owner's manual online. 700 through 1100 virago installation guide. Virago xv125s motorcycle pdf manual download. I cant seem to find what im looking for in my service manual, how do. Web viragos do not have a cdi they have a tci and there is a major difference between the two.also if you delete. Virago Vacuum Hose Diagram.
From www.2carpros.com
Diagrams Needed for Vacuum Hoses Okay, Right Behind the Valve Virago Vacuum Hose Diagram Virago xv125s motorcycle pdf manual download. Virago xv250p motorcycle pdf manual download. Web yamaha virago vacuum lines & cover removal. Web is there a vacuum and fuel line diagram for a 1986 xv700. I cant seem to find what im looking for in my service manual, how do. Congratulations on your purchase of the kjs system. Web view and download. Virago Vacuum Hose Diagram.
From www.firebirdnation.com
1981 turbo 4.9 vacuum hose diagram? Firebird Nation Virago Vacuum Hose Diagram Web view and download yamaha virago xv125s owner's manual online. Web is there a vacuum and fuel line diagram for a 1986 xv700. Virago xv250p motorcycle pdf manual download. 700 through 1100 virago installation guide. Virago xv125s motorcycle pdf manual download. Web view and download yamaha virago xv250p owner's manual online. Web yamaha virago vacuum lines & cover removal. Congratulations. Virago Vacuum Hose Diagram.
From www.pinterest.com
vacuum hose routing diagram Diagram, Hose, Vacuum Virago Vacuum Hose Diagram Web yamaha virago vacuum lines & cover removal. I cant seem to find what im looking for in my service manual, how do. Virago xv125s motorcycle pdf manual download. 700 through 1100 virago installation guide. Web view and download yamaha virago xv250p owner's manual online. Virago xv250p motorcycle pdf manual download. Web is there a vacuum and fuel line diagram. Virago Vacuum Hose Diagram.
From www.autozone.com
Repair Guides Vacuum Diagrams Vacuum Diagrams Virago Vacuum Hose Diagram Virago xv125s motorcycle pdf manual download. Congratulations on your purchase of the kjs system. Web is there a vacuum and fuel line diagram for a 1986 xv700. 700 through 1100 virago installation guide. Web view and download yamaha virago xv125s owner's manual online. Web view and download yamaha virago xv250p owner's manual online. Web yamaha virago vacuum lines & cover. Virago Vacuum Hose Diagram.
From forums.justcommodores.com.au
Vacuum Hoses Just Commodores Virago Vacuum Hose Diagram Web view and download yamaha virago xv125s owner's manual online. Web viragos do not have a cdi they have a tci and there is a major difference between the two.also if you delete the extra petcock system in. Congratulations on your purchase of the kjs system. 700 through 1100 virago installation guide. I cant seem to find what im looking. Virago Vacuum Hose Diagram.
From www.justanswer.com
I need vacuum line diagram for 1998 Dodge Dakota sport 3.9 l engine Virago Vacuum Hose Diagram Congratulations on your purchase of the kjs system. Virago xv250p motorcycle pdf manual download. Virago xv125s motorcycle pdf manual download. Web view and download yamaha virago xv250p owner's manual online. I cant seem to find what im looking for in my service manual, how do. Web viragos do not have a cdi they have a tci and there is a. Virago Vacuum Hose Diagram.
From ayiahsawyer.blogspot.com
2004 mazda 6 3.0 vacuum hose diagram AyiahSawyer Virago Vacuum Hose Diagram Web view and download yamaha virago xv250p owner's manual online. Web is there a vacuum and fuel line diagram for a 1986 xv700. Web view and download yamaha virago xv125s owner's manual online. Congratulations on your purchase of the kjs system. Virago xv250p motorcycle pdf manual download. I cant seem to find what im looking for in my service manual,. Virago Vacuum Hose Diagram.
From stewart-switch.com
Vacuum Hose Diagrams Virago Vacuum Hose Diagram Web view and download yamaha virago xv125s owner's manual online. Virago xv250p motorcycle pdf manual download. Web viragos do not have a cdi they have a tci and there is a major difference between the two.also if you delete the extra petcock system in. I cant seem to find what im looking for in my service manual, how do. Web. Virago Vacuum Hose Diagram.
From www.youtube.com
1983 Yamaha Virago XV500 Carb Removal YouTube Virago Vacuum Hose Diagram Web is there a vacuum and fuel line diagram for a 1986 xv700. I cant seem to find what im looking for in my service manual, how do. 700 through 1100 virago installation guide. Web yamaha virago vacuum lines & cover removal. Congratulations on your purchase of the kjs system. Web view and download yamaha virago xv125s owner's manual online.. Virago Vacuum Hose Diagram.
From www.youtube.com
Yamaha Virago Carb Removal and Install (8799) YouTube Virago Vacuum Hose Diagram Web view and download yamaha virago xv125s owner's manual online. I cant seem to find what im looking for in my service manual, how do. Web is there a vacuum and fuel line diagram for a 1986 xv700. Web viragos do not have a cdi they have a tci and there is a major difference between the two.also if you. Virago Vacuum Hose Diagram.
From www.justanswer.com
Yamaha Virago Fuel & Vacuum Line Diagrams JustAnswer Virago Vacuum Hose Diagram 700 through 1100 virago installation guide. Virago xv125s motorcycle pdf manual download. Web yamaha virago vacuum lines & cover removal. Web is there a vacuum and fuel line diagram for a 1986 xv700. Congratulations on your purchase of the kjs system. I cant seem to find what im looking for in my service manual, how do. Web viragos do not. Virago Vacuum Hose Diagram.
From www.matthewsvolvosite.com
Vacuum Hose Diagrams 19942000 FWD Turbos Virago Vacuum Hose Diagram Web viragos do not have a cdi they have a tci and there is a major difference between the two.also if you delete the extra petcock system in. Congratulations on your purchase of the kjs system. Virago xv125s motorcycle pdf manual download. Web view and download yamaha virago xv250p owner's manual online. Virago xv250p motorcycle pdf manual download. 700 through. Virago Vacuum Hose Diagram.
From mydiagram.online
[DIAGRAM] 86 Toyota Vacuum Hose Diagram Virago Vacuum Hose Diagram Virago xv125s motorcycle pdf manual download. Virago xv250p motorcycle pdf manual download. Congratulations on your purchase of the kjs system. Web view and download yamaha virago xv250p owner's manual online. Web view and download yamaha virago xv125s owner's manual online. I cant seem to find what im looking for in my service manual, how do. Web is there a vacuum. Virago Vacuum Hose Diagram.
From www.justanswer.com
Yamaha Virago Fuel & Vacuum Line Diagrams JustAnswer Virago Vacuum Hose Diagram Web view and download yamaha virago xv250p owner's manual online. Web viragos do not have a cdi they have a tci and there is a major difference between the two.also if you delete the extra petcock system in. Congratulations on your purchase of the kjs system. I cant seem to find what im looking for in my service manual, how. Virago Vacuum Hose Diagram.
From rennlist.com
1983/84 US Vacuum Hose Diagram Simplified Rennlist Porsche Virago Vacuum Hose Diagram Web view and download yamaha virago xv250p owner's manual online. I cant seem to find what im looking for in my service manual, how do. Web is there a vacuum and fuel line diagram for a 1986 xv700. 700 through 1100 virago installation guide. Web viragos do not have a cdi they have a tci and there is a major. Virago Vacuum Hose Diagram.
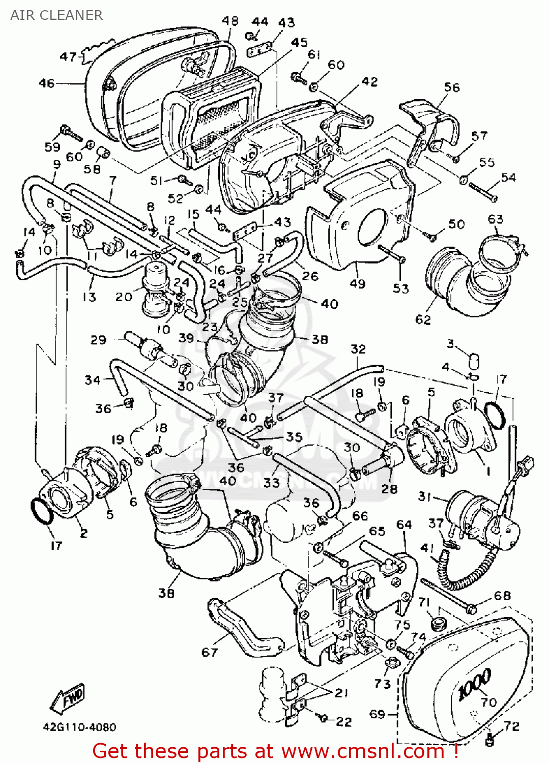
From www.cmsnl.com
HOSE, VACUUM SENSING 1 for XV1000 VIRAGO 1985 (F) USA order at CMSNL Virago Vacuum Hose Diagram Web is there a vacuum and fuel line diagram for a 1986 xv700. Virago xv250p motorcycle pdf manual download. Web viragos do not have a cdi they have a tci and there is a major difference between the two.also if you delete the extra petcock system in. Web yamaha virago vacuum lines & cover removal. 700 through 1100 virago installation. Virago Vacuum Hose Diagram.